| штат: | |
|---|---|
Описание продукта
ОСОБЕННОСТИ ПРОДУКТА
•Простота установки и эксплуатации, возможность автоматического впрыска масла.
• Экологичный AOC можно заправлять и использовать повторно несколько раз с меньшими затратами.
•Конструкция: Пружина расположена на нижнем конце, что уменьшает отделение масла.
• Цикл смазки определяется плотностью затяжки ручки и вязкостью смазки.
• Добавьте смазку. Залейте смазку через отверстие для впрыска смазки.
ПРИМЕНИМЫЕ ОТРАСЛИ
• Технологические насосы
• Ветровые электростанции
• Сталелитейные заводы
• Водоочистные сооружения
• Нефтехимическая промышленность
ПРИМЕНЕНИЕ ПРОДУКТА
Компания AOC может гарантировать, что ваше оборудование всегда будет в хорошо смазанном состоянии. Каждую минуту, каждую секунду на протяжении 365 дней в году он может обеспечивать
свежие смазочные материалы для подшипников, шестерен, стоек, цепей, звездочек, гусениц и ходовых винтов вашего оборудования. Может заменить API Plan 51.
ЭКСПЛУАТАЦИЯ И ИСПОЛЬЗОВАНИЕ
• Снимите масляную форсунку и проверьте, нет ли засора.
• Для смазки 0# или 1# откройте хотя бы один круг; для смазки 2# откройте два круга
• Убедитесь, что смазка впрыскивается правильно, и выполните соответствующую точную регулировку.
• Подходит для одноточечной смазки, с максимальным расстоянием установки не более 0,5 метра.
Описание таблицы
ПАРАМЕТРЫ СИСТЕМЫ
| Объем накопительного бака | 150мл | |
| Давление | 5Бар | |
СИСТЕМНЫЕ МАТЕРИАЛЫ
| Основной материал | Алюминий + пластик | |
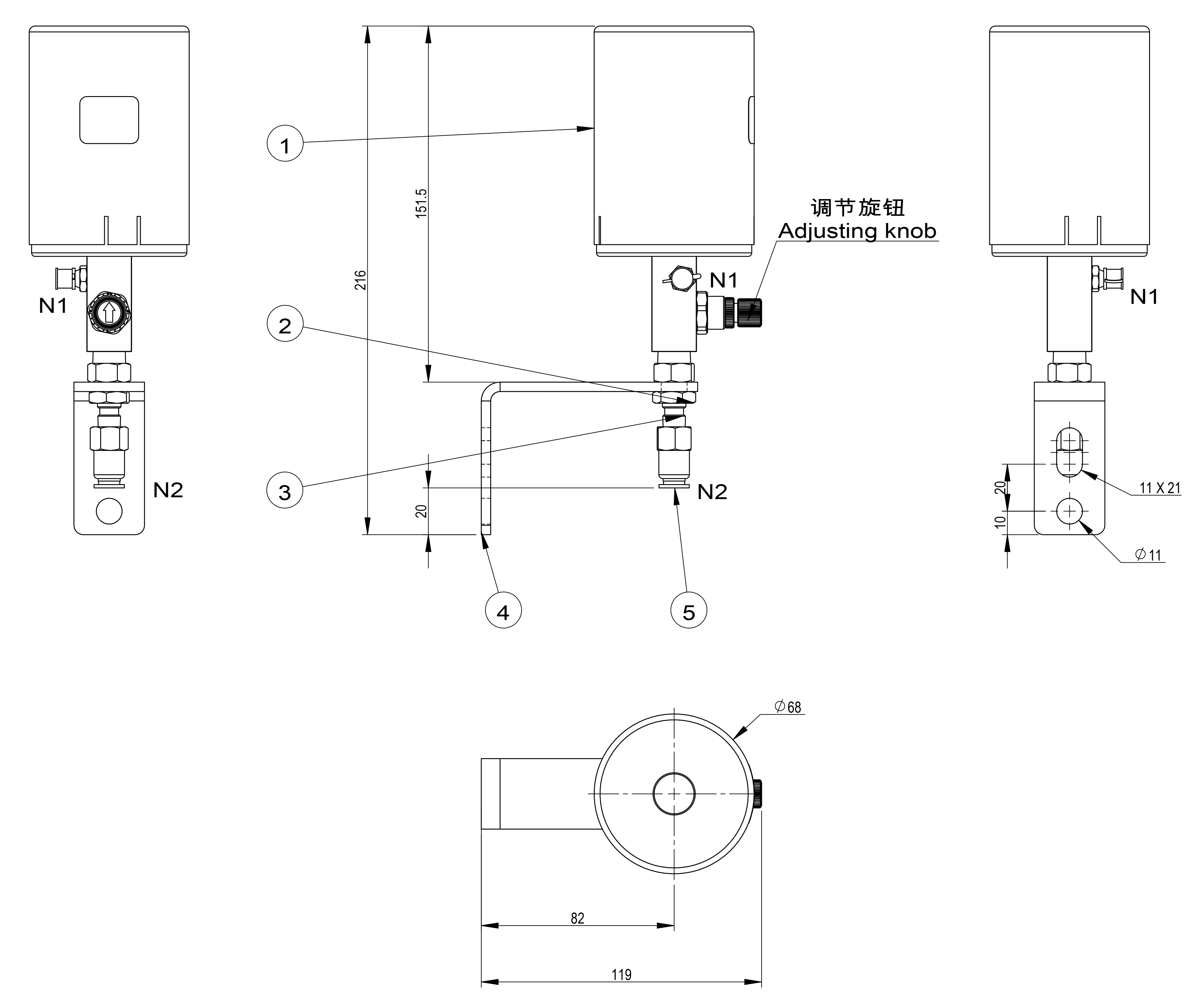
Схема структуры продукта и сравнительная таблица стандартных материалов

| НЕТ. | Имя | Материал |
| 1 | Инжектор смазки | / |
| 2 | Орех | S30408 |
| 3 | сосок | S30408 |
| 4 | Кронштейн | S30408 |
| 5 | Шланговая муфта | S30408 |
Загрузки
+86-512-57011188
№ 183, Yinhe Road, Зона промышленного развития высоких технологий Чаншу Сучжоу, Цзянсу, Почтовый индекс Китая: 215533
© 2024 FBU Sealing Technology (Suzhou) CO.Ltd. Все права защищены.